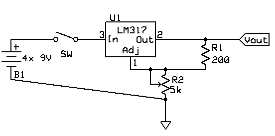
Solve For:
R1
R2
Vout
R1:
R2:
Vout: