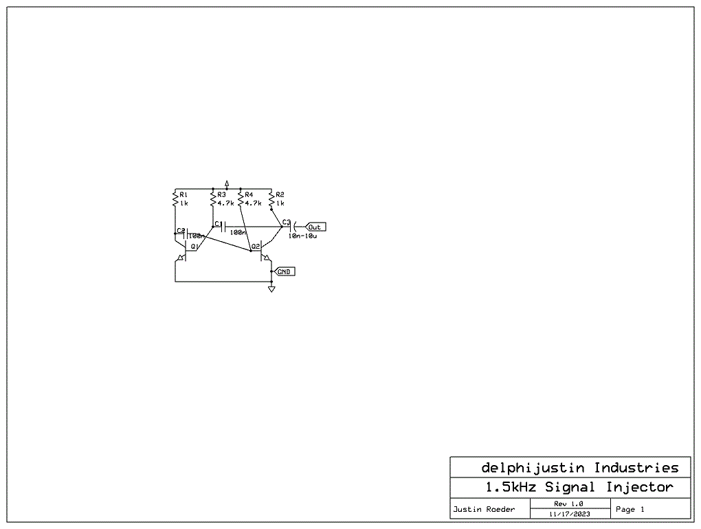
This is a simple signal injector that can fit inside a mini basketball pump it requires:
- 1x dc blocking capacitor(10nF to 10uF) C3(2.2uF Axiel Film Capacitor)
- 2x 100nF Capacitors C1 and C2
- 2x 1k ohm resistors R1 and R2
- 2x 4.7k ohm resistors R3 and R4
- 2x General Purpose NPN low power transistors Q1 and Q2(I used PN2222A)
- A 1.2 to 14v dc power source
- A alligator ground clip




This signal injector can come in handy for repairing radios, amplifers and old TVs and also square wave generator in a probe. Later on I will make a version that uses C1 and C2 as 470nF and R3 and R4 as 1 Megaohm and C3 as 47uF(Since the frequency is ultralow).
The specs
Where R=R2 or R3, C=C1 or C2 and \(C_{3}\)=C3
Frequency: \(f=\frac{1}{1.38RC}=1.5kHz\)
Output AC Resistance: \(X_{C3}=\frac{1}{2\pi*fC_{3}}\)
PCB Files
The short URL of the present article is: https://delphijustin.biz/go/e3pd

Circuit Simulator