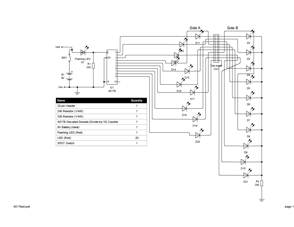
In this blog I will show you two ways to make a cable tester. The 1st way uses a arduino (software controlled). The 2nd way uses a decade counter chip(CD4017) and a flashing LED. I am going to order the Dual RJ45 jack to screw terminals from eBay. The other connectors are from parts-express. I couldn’t find one that would tell you that it has screw terminals on parts-express. But starting from 2 dollars off of eBay you couldn’t go wrong! The screw terminals allows secure connections from other types of cords, such as USB and TV coax, whereas punchdown would not be a good choice. The reason for that is each pin on the RJ45 connector will be tied together with the usb cable, coax and rca cables. This tester will tell you which pin on one side is wired to on the other side, tells you if there’s no connection and tells you about any shorts. I ordered connectors that were attached to a cord so that soldering will be easier. It’s basically a LED chaser with two of LEDs in series one for side a and the other one for side b. You can find the arduino code on github. To use simply connect one side of the cord to side a and the other to side b
Once the parts come in a YouTube video will be uploaded



Circuit Simulator