In this blog I will show you how to build holiday lights. This idea came from Penny who wanted to get green lights and come to find out they are not in store.You can take LEDs and wire them in parallel with a current limiting resistor for each one. Or to speed up soldering just get the ones with built-in resistors. It will make them look more professionally made. See the circuit below:

To use the standard ones just put a resistor in series defined by this equation
$$R=\frac{V_{in}-V_{f}}{0.001I_{f}}$$
R is the resistance in ohms, Vin is the supply voltage in volts, Vf is the voltage drop defined in the LED datasheet and If is the current defined in the LED datasheet. If you don’t know model of your LED or can’t find a datasheet use a 1k. It wont be the brightest but good enough.
You can also flash them by an Arduino, computer, 555 timer, etc…
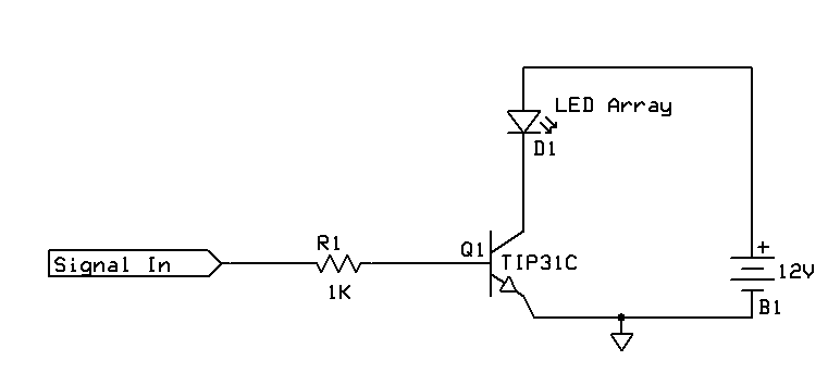
Just remember that the output current sometimes might not be enough or the load could be too much, so you probably need a Transistor Switch circuit

You can get 20ft of wire for $2.60, 45x 12V LEDs for $20(you can get them cheaper without the built-in resistors) and a 12.5V power supply for $3.50 at allelectronics cost including shipping $34.10
To determine the total current draw we can use this equation, where Itotal is total current in milliamps, n is the number of LEDs and If is the LED current defined in the datasheet.
$$I_{total}=0.001I_{f}n$$
And for wattage:
$$P=0.001I_{f}nV_{in}$$
Where P is power in watts. If is LED current in milliamps, n is the number of LEDs and Vin is supply voltage.

Circuit Simulator