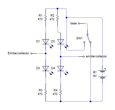
This transistor tester tests bipolar junction transistors junctions. It tests the junctions for open and short circuits. It uses 4 resistors, 4 LEDs and 1 SPDT switch. A good transistor will only have 2 out of 4 LEDs lit, on one side of the switch and 4 on the other. You can also test standard diodes (rectifiers and switching diodes). A diode will have 3 out of 4 LEDs lit on one side and 4 on the other.

Here’s a table of all possible readings and their meanings
|
2 LED lit |
Both emitter/collectors are short circuited |
|
3 LEDs lit |
Only one emitter/collector |
|
4 LEDs lit |
Open circuit |
|
1 LED lit |
Circuit design error |

Circuit Simulator