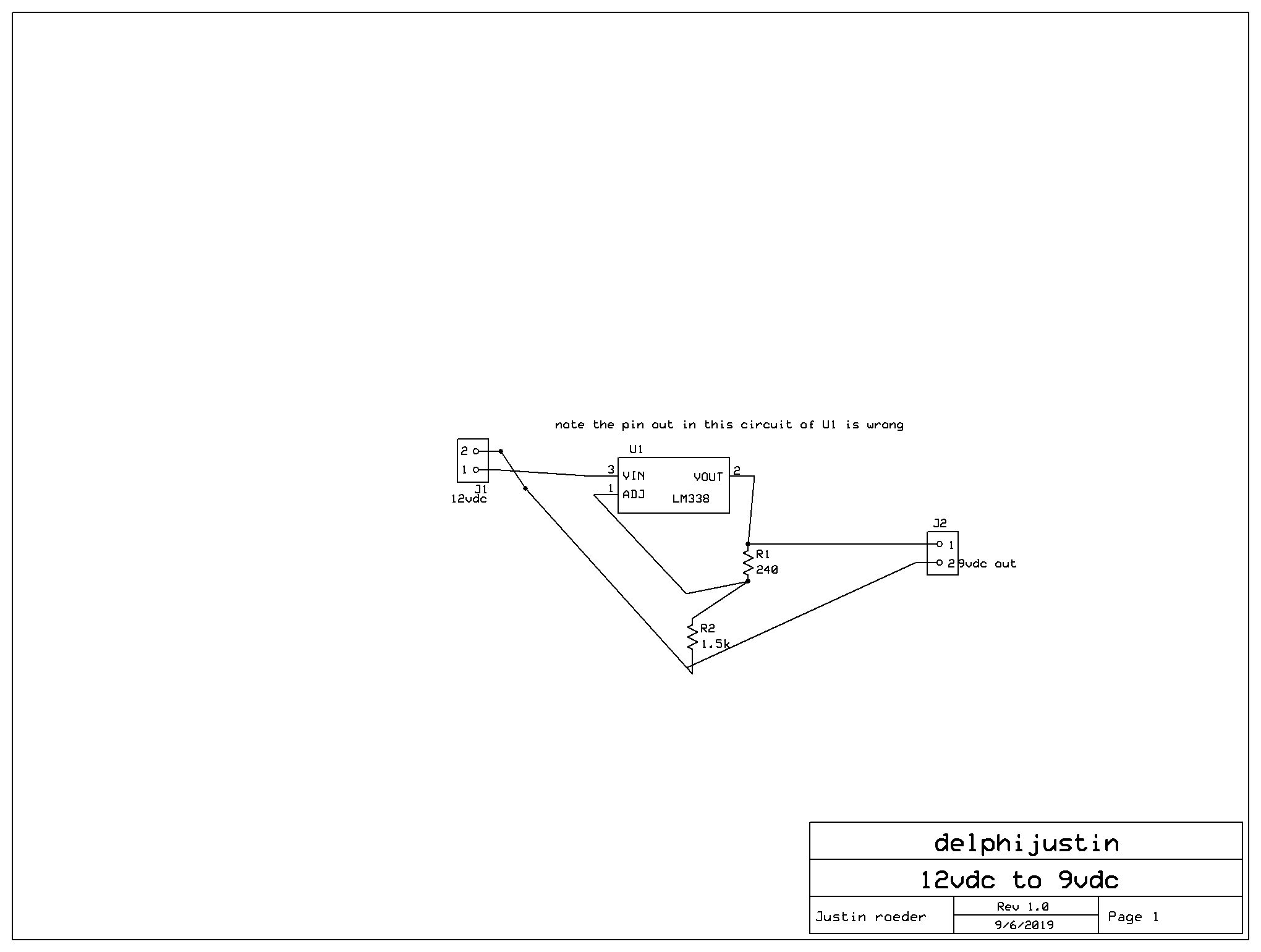
When I got John zogg’s DVD player it didn’t come with the AC adapter, just the carrying case, battery and the car Cord. At first I thought that it would of charged on 12vdc, but no it has to be 9vdc. So what I did is buy a adjustable voltage regulator, heatsink and a couple resistors. And I hooked up to my circuit the green light came on and the next day the green light turned off meaning it is fully charged.

I believe it doesn’t get too hot
The short URL of the present article is: https://delphijustin.biz/go/k72n

Circuit Simulator